STEEL FRAMES

COMFORTABLE. RELIABLE. INDIVIDUAL.

Strong frames that can withstand anything.
Being able to rely on quality in the long term is not only a reassuring feeling, it also saves a lot of money in the long term!

As with other key aspects of building services (heating, plumbing, electrics), quality is the measure of all things when it comes to door frames.

A good steel frame is dimensionally stable, keeps the door leaf securely in place and can remain in place even if the door leaf is changed. At Novoferm, "a good frame" means: it fits once and for all, is robust and stable and can really take on anything in everyday life!

Why steel frames from Novoferm?

DIVERSITY AND RESILIENCE

Novoferm offers you frames for all installation situations for stud frames, masonry and special cases. They are robust, dimensionally stable and corrosion-protected thanks to hot-dip galvanised sheet metal to DIN EN 10142, sheet thickness 1.5 or 2.0 mm, with high-quality primer as an ideal base for the final coat of paint.

DOORS, GATES, FRAMES DIRECT FROM STOCK

More than 1,000 products are available in our new logistics centre, all manufactured in four German production facilities.

DIMENSIONAL ACCURACY

Novoferm frames are characterised by exact profile geometry and dimensional accuracy by adhering to the narrowest tolerance limits (EN DIN standards / Novoferm factory standards).

FAST DELIVERY PROGRAMMES

Take advantage of our fast delivery programmes for many frame variants and designs.

HIGH-TECH FRAME PRODUCTION

1. unmistakable data selection via barcode
2. product labelling by laser printer
3. fully automatic insertion of the die-cuts
4. absolute accuracy of fit

NOVOFERM ZARGEN-COMPENDIUM

You can find the complete Novoferm frame programme on the extranet. There you will find a wealth of free and effective tools with which you can positively influence your customers' purchasing decisions.

THE FRAME OF YOUR CHOICE

Novoferm not only offers a wide range of frames, but also exactly the right product for all required wall types. In addition, our high quality standards guarantee fast installation, high stability and durability. The robust Novoferm frames will outlast several generations of doors.

FOR A SUSTAINABLE FUTURE

Our products meet the requirements for an Environmental Product Declaration (EPD) in accordance with ISO 14025 and EN 15804 of the Programme for Environmental Product Declarations of the Institut Bauen und Umwelt e.V. (IBU) based on the EN 15804 standard.

EPD according to ISO 14025 and EN 15804 Life cycle assessment according to DIN ISO 14040/ 14044I / Product Category Rules (PCR) Doors

NOBLE IN STEEL

Stainless steel frames round off the Novoferm frame programme. These frames are available in exclusive cross-sections and have a sheet thickness of between 1.5 mm and 2 mm, depending on the version. Ask your Novoferm specialist dealer about all the equipment details and possible applications.

SHOW INDIVIDUALITY

A door frame and the door associated with it are like a business card. And should therefore also match the respective house, room and user. Novoferm therefore offers all RAL colours of your choice, RAL design, metallic colours and others for special protection. Anti-graffiti powder possible.
The coloured frames offer the following advantages:
- Powder coating of the highest approval with GSB approval
- Excellent weather resistance
- High gloss and colour stability
- Very good adhesion
- Good corrosion properties
- High surface hardness with good mechanical values
- excellent abrasion resistance
- Stoving temperature 195° C

Overview of frame types

Masonryframes, rock-solid and stable in value - that is the traditional, solid construction method. Modern steel masonry frames from Novoferm are just as stable - ideal for all doors.

Stud frame frames can be used quickly and easily in drywall construction or in lightweight stud walls. This makes it easy to fulfil the requirements of new living or working spaces.

Dismantled frames for all wall types, many Novoferm frames are also available dismantled on request. The frame variants in stock can be delivered directly to the consignee by parcel service within a very short time.

Highlights Dismantled frames

This video from the area of frames illustrates the advantages of "dismantled frames" in terms of transport, handling and assembly.

You can find further animations at

https://www.youtube.com/NovofermVideos

HIGHLIGHTS AND FEATURES

Perfection around the Novoferm frame
Fast delivery programmes

Fast delivery programmes

STANDARDISED FRAMES

Available are:
Special frames with standard profile in standard widths

  • as corner frames
  • as masonry frames
  • as stud frame in one- and two-part design

Design:
Rebated, sheet thickness 1.5 mm, galvanised and primed
Express surcharge: 10 % on gross list price
Express delivery: Up to 20 frames, larger quantities on request

Choose from the following optional extras:

  • Alternative hinge substructures (VNGR, VNKL, VS 8939, VX)
  • Locking hole reinforcement MSK 412
  • Variable lever handle height
  • Multi-point locking 15 x 20 mm, slotted hole
    (Attention: Please specify type when ordering)
  • Variable floor recess
  • BRM width up to 1,375 mm
  • Frame up to 2,250 mm height BRM
  • Fixture for OTS standard

Customised logistics:
Order by 9.00 a.m. - production time 3 days.
On the 4th day after ordering in the regional warehouse.
Delivery from regional warehouse according to known route plan.
Direct delivery ex works on the 4th day after ordering:
Can be combined with standard items from one loading metre.

Dismantled frame direct to consignee + 3 days.

SPECIAL ZARGEN

Available are:
Special frames in single rebate, double rebate, through and connecting frames

  • as corner frames
  • as masonry frames in single and two-part design
  • As stud frame in single and two-part design

Design:
Rebated and butt-jointed, sheet thickness 1.5 and 2.0 mm possible, galvanised and primed

Express surcharge: 10 % on gross list price
Express delivery: Up to 20 frames, larger quantities on request

Choose from the following optional extras:

  • - Alternative hinge substructures (VNGR, VNKL, VS 8939, VX)
  • Locking hole reinforcement MSK 412
  • Variable lever handle height
  • Multi-point locking 15 x 20 mm, slotted hole
    (Attention: Please specify type when ordering)
  • Variable floor recess
  • Width BRM up to 2125 mm
  • Frame up to 2550 mm height BRM for high door leaf
  • Width of 60-500 mm infinitely variable in 5 mm increments possible
  • Mouth width edge of 10-20 mm possible

Customised logistics:
Order by 9.00 a.m. - production time 6 days.
On the 7th day after ordering in the regional warehouse.
Delivery from regional warehouse according to known route plan.
Direct delivery possible on the 7th day after ordering ex works:
Can be combined with standard items from one loading metre.

Dismantled frame direct to consignee + 3 days.

Details of masonry frames

Details of masonry frames

Solid and stable in value - that is the traditional, solid construction method. Modern steel masonry frames from Novoferm are just as stable - ideal for all doors. The Novoferm standard frames (to DIN 18111) are available in many variants, equipped with special systems to accommodate a wide range of hinges.

ECKZARGE (EZS) PROFILE 21

  • For rebated doors
  • With 30 mm floor recess
  • Can be used with welded-in hinge pockets mortar-tight V 8610 L/ R
  • With 6 welded corner anchors
  • Simple installation
  • Stock item

Delivery condition

Mounting condition

PERIMETER FRAME (UZS) PROFILE 23

  • For rebated doors
  • With 30 mm floor recess
  • Can be used with welded-in hinge pockets mortar-tight V 8610 L/ R
  • Versatile application possibilities
  • Stock item

Ruck-Zuck anchor

  • 8 pieces supplied loose
  • Also available as a joint anchor
  • Fast, stable installation
  • Technically sophisticated
  • Can be individually positioned (observe DIN!)

GIPSWANDZARGE (ZG) PROFIL 23/ 0045

  • For rebated doors
  • With 30 mm floor recess
  • Can be used with welded-in hinge pockets mortar-tight V 8610 L/ R
  • With maximum corrosion protection against aggressive plaster

Wire anchors

  • 6 pieces supplied loose
  • Wall-mounted installation
  • Simple, stable installation
  • Practical and rational

2-SCHALIGE ZARGE (ZNG) ZUM NACHTRÄGLICHEN EINBAU PROFILE 2140/ 1645

  • For rebated doors
  • Without floor recess
  • Can be used with welded-in hinge pockets V 8618 L/ R
  • Clean, quick installation
  • For retrofitting
  • Screwed concealed in the sealing groove
  • Can be reused thanks to easy removal
  • Stock item

Fixing anchor

  • Welded-in trapezoidal anchor for fastening the front shell
  • For all wall types
  • High stability of the trapezoidal anchor
  • Simple installation with integrated anchor bracket
  • High torsional rigidity due to the special geometry of the anchor system
Details of stud frames

Details of stud frames

Life changes - and with it the demands on living or working space. New rooms need to be created and further developed. No problem with Novoferm stud frames, because they can be installed quickly and easily in a unique way.

Novoferm frames are classically strong, innovatively modern and particularly secure.

HINGE REINFORCEMENT MOUNTING PLATE FOR HEAVY DOOR LEAVES

In modern property construction, the number of functional doors with a high door leaf weight is constantly increasing. At the same time, internal partition walls are being built as slim as possible. 100 mm or 125 mm slim stud frame walls have become very popular. In order to ensure the long-term functionality of the door elements, it is particularly important that the load of the door leaf is optimally transferred to the substructure of the wall. This is precisely what the new factory-fitted mounting and reinforcement plate for hinge substructures of the VX system ensures. This optional special reinforcement plate is welded directly to the hinge substructure and then firmly connected to the UA profile of the stud frame wall.

STÄNDERWANDZARGE (ZGK)
PROFILE 23/ 1645

STÄNDERWANDZARGE (ZGK) PROFILE 23/ 1645

  • For rebated doors
  • Standard version with 16 mm rebate
  • Without floor recess
  • Hinge substructure V 8618 L/ R can be used
  • With specially matched frame parts V 8100/ 18 (not included in the scope of delivery)
  • No recessing of the plasterboard panels
  • With welded cap anchors, single or double panelling possible
  • Stock item

UPRIGHT WALL FRAME (ZGK)
PROFIL 23/ 0045

STÄNDERWANDZARGE (ZGK) PROFILE 23/ 0045

  • For rebated doors
  • Conventional rebate of 10 mm, visually the same design as the masonry frames
  • Without floor recess
  • Hinge substructure V 8610 L/ R can be used
  • Notching required for hinge pockets and wall protection boxes
  • With welded cap anchors, single or double panelling possible

2-SHELL FRAME FOR
RETROFITTING
PROFILE 2140/ 1645

2-SCHALIGE ZARGE ZUM NACHTRÄGLICHEN EINBAU PROFILE 2140/ 1645

  • For rebated doors
  • Without floor recess
  • Hinge substructure V 8618 L/ R can be used
  • Clean, quick installation
  • For retrofitting
  • Screwed concealed in the sealing groove
  • Reusable due to easy removal
  • High stability
  • Stock item

ANCHOR FOR STÄNDERWERK

Tube anchor

  • Standard sizes single-row
  • Larger jaw widths arranged in double rows offset or side by side
Details Disassembled frames

Details Disassembled frames

DISASSEMBLED FRAMES FOR ALL WALL TYPES

On request, many Novoferm frame variants are also available disassembled for fast delivery and particularly easy and safe transport. The frame variants in stock can be delivered directly to the recipient within a very short time by parcel service. If ordered before 10:00 a.m., this is usually the next working day. With the new trapezoidal anchor, the installation of double-shell profile variants is also very simple, quick and safe.

  • Disassembled into three handy individual parts
  • Supplied as a compact package
  • Optimum protection against transport damage
  • Particularly easy to store
  • Easy to transport by car
  • Quick and inexpensive to ship
  • Easy handling on the construction site

IDEAL FOR RETROFITTING

PROFILE 2140

PROFILE 2140: 2-PART FRAME - SCREWED INTO THE SEALING GROOVE - FOR ALL WALL TYPES

  • For rebated doors and unrebated doors
  • Well suited for finished rooms
  • Easy installation thanks to special anchors, also for the counter frame
  • Screwed concealed in the sealing groove
  • Reusable frame

PROFILE 2150

PROFILE 2150: 2-PART FRAME - WITH FACE WIDTH TOLERANCE FOR MASONRY

  • Variable jaw widths -8 / +10 mm
  • All profile geometries possible (e.g. sliding door frames in front of the wall)
  • With visible separating joint
  • With corner anchors in the reveal

PROFILE 2150

PROFILE 2150: 2-PART FRAME - WITH FACE WIDTH TOLERANCE FOR UPRIGHTS

  • Variable jaw widths -8 / +10 mm
  • All profile geometries possible (e.g. sliding door frames in front of the wall)
  • With visible parting line
  • Screw mounting in the transom

DISASSEMBLED FRAME DESIGN AND TRAPEZOIDAL ANCHOR SYSTEM

  • Precisely fitting frame corner joints installed at the factory
  • Stable trapezoidal anchors in the frame front shell
  • Easy installation of the counter shell thanks to the special geometry of the anchor system
  • Special counter anchor, dotted in the reveal of the counter shell
  • No relining of the trapezoidal anchors required for dimensionally accurate stud frame openings
Special frames and surfaces

Special frames and surfaces

FRAMES FOR EVERY APPLICATION

Stainless steel frames not only score points for their attractive appearance, but also for their resistance to moisture. As a rule, stainless steel frames are used in environments where a high level of cleanliness is required.

Material: V2A = WST 1.4301 / V4A = WST 1.4571 (only 1.5 mm)
Sheet thickness: 1.5 or 2 mm

Stainless steel framesin steel
Stainless steel frames round off the Novoferm frame programme. These frames are available in exclusive cross-sections and have a sheet thickness of between 1.5 mm and 2 mm, depending on the version.

Ask your Novoferm specialist dealer about all the equipment details and possible applications.

SHOW INDIVIDUALITY

Novoferm frames are characterised by exact profile geometry and dimensional accuracy by adhering to the narrowest tolerance limits (EN DIN standards / Novoferm factory standards). A frame and the associated door is like a business card. And should therefore also correspond to the respective house, room and user. Novoferm therefore offers all RAL colours of your choice, RAL design, metallic colours and others for special protection. Anti-graffiti powder possible.

The coloured frames offer the following advantages:

  • Powder coating of the highest approval with GSB approval
  • Excellent weather resistance
  • High gloss and colour stability
  • Very good adhesion
  • Good corrosion properties
  • High surface hardness with good mechanical values
  • excellent abrasion resistance
  • Stoving temperature 195° C

FOR A SUSTAINABLE FUTURE

Our products meet the requirements for an Environmental Product Declaration (EPD) in accordance with ISO 14025 and EN 15804 of the Programme for Environmental Product Declarations of the Institut Bauen und Umwelt e.V. (IBU) based on the EN 15804 standard.

  • EPD according to ISO 14025 and EN 15804
  • Life cycle assessment according to DIN ISO 14040/ 14044
  • Product Category Rules (PCR) Doors

Your plus points at a glance

  • High stability and durability
  • Wide range of frames for all installation situations
  • Stud frame, masonry and special cases
  • Almost all frame variants also available disassembled

TECHNOLOGY AND DETAILS

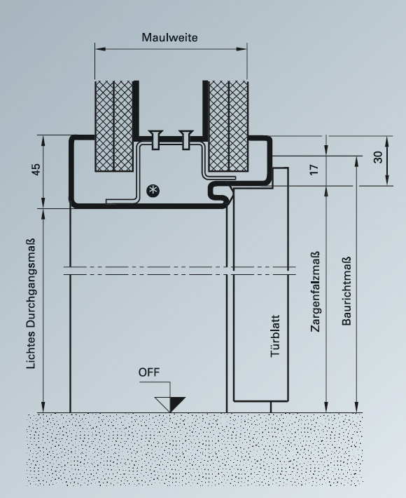
TECHNICAL DATA FRAMES FOR MASONRY AND CONCRETE

TECHNICAL DATA FRAMES FOR MASONRY AND CONCRETE

Dimension table for Novoferm steel frames

Standard frames
for masonry,
plaster wall and Ytong stone

Standard frames
for masonry,
plaster wall and Ytong stone

Overall dimensions
(see DIN 18100)

Frame rebate dimensions
(see DIN 18111)

Clear frame
clearance
dimensions
(see DIN 18111)

Nominal size of the
wall opening
Shell dimension
(RBM)

Nominal size of the
wall opening
Shell dimension
(RBM)

Width x height

Width x height

Width x height

Width x height

Width x height

750 x 1.875
1) 2)

716 x 1.858

686 x 1.843

760 x 1.880

760 x 1.880

875 x 1.875
2)

841 x 1.858

811 x 1.843

885 x 1.880

885 x 1.880

1000 x 1.875
1) 2)

966 x 1.858

936 x 1.843

1.010 x 1.880

1.010 x 1.880

625 x 2.000

591 x 1.983

561 x 1.968

635 x 2.005

635 x 2.005

750 x 2.000

716 x 1.983

686 x 1.968

760 x 2.005

760 x 2.005

875 x 2.000

841 x 1.983

811 x 1.968

885 x 2.005

885 x 2.005

1.000 x 2.000

966 x 1.983

936 x 1.968

1.010 x 2.005

1.010 x 2.005

625 x 2.125
1)

591 x 2.108

561 x 2.093

635 x 2.130

635 x 2.130

750 x 2125

716 x 2.108

686 x 2.093

760 x 2.130

760 x 2.130

875 x 2.125

841 x 2.108

811 x 2.093

885 x 2.130

885 x 2.130

1.000 x 2.125

966 x 2.108

936 x 2.093

1.010 x 2.130

1.010 x 2.130

1.125 x 2.125
1) 3)

1.091 x 2.108

1.061 x 2.093

1.135 x 2.130

1.135 x 2.130

1.250 x 2.125
1) 3)

1.216 x 2.108

1.188 x 2.093

1.260 x 2.130

1.260 x 2.130

1) Overall dimensions and associated dimensions not included in DIN 18111 2) Standard only for corner frames 3) Not in stock

 

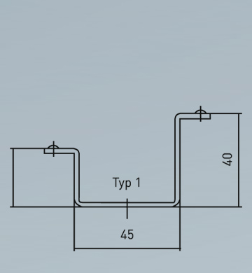
MASONRY FRAMES

Mouth widths

Novoferm standard frames

For masonry

For plaster walls

80

-

-

90

-

-

100

-

-

130

-

-

145

-

-

160

-

-

175

-

-

205

-

-

270

-

-

290

-

-

330

-

-

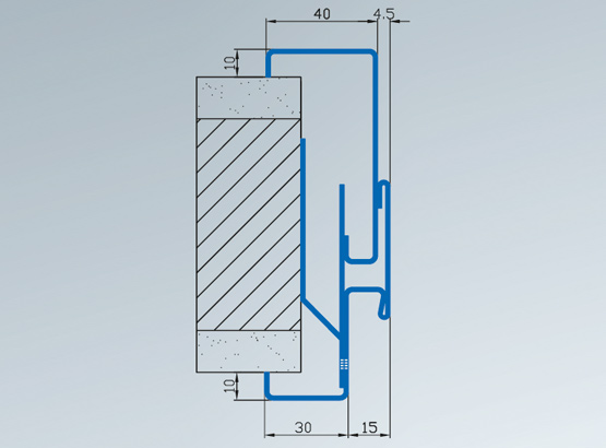
Vertical section
Frame with lintel

Horizontal section
Frame with wall Masonry

TECHNICAL DATA FRAMES FOR DRY CONSTRUCTION

TECHNICAL DATA FRAMES FOR DRY CONSTRUCTION

Standard frames
for stud frames,
Profile 23/1645

2-part in groove
screwed
Profile 2140/1645

2-piece with parting line
Profile 2150/0040

Anchor position Caution!
Installation along the wall

Nominal dimension of the
(= installation dimension)

Nominal size of the
wall opening

Door leaf outer dimensions
(type dimension, see
DIN 18101)

Width x height

Width x height

Width x height

Width x height

769 x 1.885

750 x 1875

730 x 1.865

730 x 1.865

894 x 1.885

875 x 1875

855 x 1.865

855 x 1.865

1.019 x 1.885

1.000 x 1.875

980 x 1.865

980 x 1.865

644 x 2.010

625 x 2.000

605 x 1.990

605 x 1.990

769 x 2.010

750 x 2.000

730 x 1.990

730 x 1.990

894 x 2.010

875 x 2.000

855 x 1.990

855 x 1.990

1.019 x 2.010

1.000 x 2.000

980 x 1.990

980 x 1.990

644 x 2.135

625 x 2.125

605 x 2.115

605 x 2.115

769 x 2.135

750 x 2.125

730 x 2.115

730 x 2.115

894 x 2.135

875 x 2.125

855 x 2.115

855 x 2.115

1.019 x 2.135

1.000 x 2.125

980 x 2.115

980 x 2.115

1.144 x 2.135

1.125 x 2.125

1.105 x 2.115

1.105 x 2.115

1.269 x 2.135

1.250 x 2.125

1.230 x 2.115

1.230 x 2.115

 

Mouth widths

Novoferm standard frames

For stud frame walls

75

100

125

150

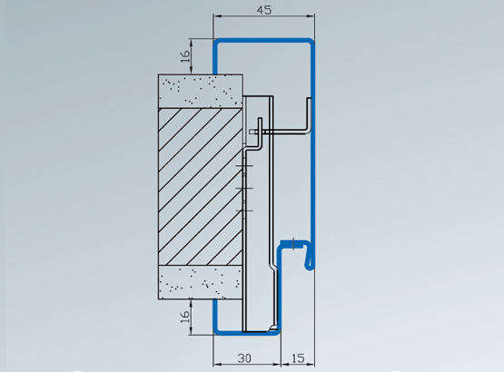
Horizontal section
Frame with wall stud frame

Vertical section
Frame with lintel

Options and solutions

Options and solutions

Eckzarge

Corner frame with radius

Double rebate corner frame

Double rebate corner frame
with shadow groove

Gym corner frame

Surrounding frame

Surround frame
with radius

Surround frame
with shadow groove

Decorative rebate frame
with shadow groove

Double door frame
with radius

Double rebate frame

Double rebate frame
with 1-sided shadow groove

Pendulum door frame

Passage frame
with shadow groove

Expansion joint frame

Surrounding frame
with lead insert
(radiation protection)

Sliding door frame
Running in the wall
(vertical section)

Sliding door frame
Running in the wall
(horizontal section)

Sliding door frame
running in front of the wall
(vertical section)

Sliding door frame
Running in front of the wall
(horizontal section)

Sliding door frame
running in front of the wall with glass door leaf
(vertical section)

Sliding door frame
running in the recess (horizontal section)

Sliding door frame
with installation box (horizontal section)

Sliding door frame
running in front of the wall 2-part design (vertical section)

2-part frame
for all wall types

2-part frame
with radius

Frame
without mirror

2-part frame
with jaw width tolerance

2-part frame
with jaw width tolerance and shadow groove

Window frame
for 1-sided glazing

Window frame
for double glazing

Possible installation situations

Possible installation situations

Corner frame
Dowel installation with corner frame anchor on wall and reveal

Corner frame
Dowel installation with corner frame anchor only in the reveal area (exposed brickwork)

Corner frame
with dowel punching in the groove area (renovation)

Corner frame
Weld-on installation on dowel bracket

Surround frame
Weld-on installation on dowel bracket (exposed brickwork)

Surrounding frame
Installation with a quick-release anchor (standard) or joint anchor (exposed brickwork)

Surround frame
Grouting installation with corrugated anchors

Surround frame
for plasterboards, installation with wire anchor

Surround frame
Installation with welded-on flat bar anchor using the concrete casting method

Surrounding frame
Installation with loose propeller anchor (concrete walls)

Surround frame
with dowel hole punching in the reveal

2-part surround frame
No RAL coating possible

Corner and counter frame
Weld-on installation on dowel bracket (exposed brickwork)

GK stud frame
Screw mounting on U-anchors

GK stud frame
Screw mounting through transom

2-part surround frame
Screw installation in the reveal (suitable for all wall types)

2-part surround frame
with jaw width tolerance, screw mounting with mirror

Telescopic frame
for universal adaptation on site, suitable for all wall types

Surrounding frame
Installation with loose propeller anchor (concrete walls)

Surrounding frame with lead insert (radiation protection)

Belt substructures

Belt substructures

NOT 3-D ADJUSTABLE

TypeType DescriptionBelt type

Load capacity

V 8610Galvanised (optional V2A)V 8000

60 kg

DIN right and leftV 8100

80 kg

Mortar-tightVN 8939/100

100 kg

More than 200 possible combinations

TypeType DescriptionBelt type

Load capacity

V 8618Galvanised (optional V2A)V 8000/18

60 kg

DIN right and leftV 8100/ 18

80 kg

More than 200 possible combinations

TypeType DescriptionBelt type

Load capacity

Double-
belt-
pocket
Mounting element VARIANT V 8600 or V 8610VN 8938/ 160

150 kg

Can be used on the left or right
Functional area:
Fire protection, smoke protection
Galvanised

3-D ADJUSTABLE

TypeType DescriptionBelt type

Load capacity

VX 7611With high load capacityVX 7729/ 100

100 kg

For rebated and non-rebated doorsVX 7939/ 100

100 kg

Mortar-tightVX 7729/ 120

120 kg

Three-dimensionally infinitely adjustable
side +/- 3.0 mm,
height +/- 3.0 mm,
pressure +/- 3.0 mm
VX 7939/ 120

120 kg

VX 7729/ 160

160 kg

VX 7939/ 160

160 kg

TypeType DescriptionBelt type

Load capacity

VN 7608/120For rebated and non-rebated doorsVN 7748/ 100

100 kg

Mortar-tightVN 7938/ 100

100 kg

GalvanisedVN 7728/ 120

100 kg

Three-dimensional
infinitely adjustable
side +/- 3.0 mm,
height +/- 3.0 mm,
pressure +/- 2.0 mm
VN 7729/ 120

120 kg

VN 7939/ 120

120 kg

VN 7939/ 120

160 kg

TypeType DescriptionBelt type

Load capacity

VN 7608/160For rebated and non-rebated doorsVN 7729/160

160 kg

Mortar-tightVN 7939/160

160 kg

Mortar-tightVN 7939/160 FD

160 kg

Three-dimensionally infinitely adjustable
side +/- 3.0 mm,
height +/- 3.0 mm,
pressure +/- 3.0 mm
VN 7939/160s

160 kg

VN 7939/160 FDs

160 kg

TypeType DescriptionBelt type

Load capacity

TectusCompletely concealedTectus 305

60 kg

For unrebated doorsTectus 310

60 kg

Three-dimensionally adjustableTectus 340

80 kg

CE-certifiedTectus 510

100 kg

Opening angle up to 180Tectus 526

120 kg

Total length 140/ 141 mmTectus 527

120 kg

DIN right or left usableTectus 540

120 kg

Maintenance-free plain bearing technology
Side +/- 3.0 mm
Height +/- 3.0 mm
Pressure +/- 1.0 mm
Tectus 630

200 kg

Tectus 640

200 kg

Tectus 645

300 kg

* Load capacity for exemplary belt combinations, depending on the belt system. Refers to the application with two hinges. When using a third hinge, the door weight can be increased by approx. 30 %. The door leaf weight should not exceed 70 % of the load values.

Sound-absorbing seals

Sound-absorbing seals

IT ALL DEPENDS ON THE PERFECT SEAL

Novoferm sealing profiles ensure that there are no draughts or noise. The lip profile for widening the closing surface ensures silent closing. Thanks to optimum sound insulation and excellent closing damping, only low closing pressure is required.

  • Permanently elastic
  • Dimensionally stable
  • High resilience
  • Resistant to ageing
  • Paint-different
  • Easy to process
  • Sound-absorbing
  • Tolerance levelling
  • Environmentally friendly (no PVC)

PROFILVARIANTEN

NameMaterial*ColourCharacteristics
C 190NTKGreyStandard profile
WhiteTolerance compensation ± 2.5 mm
BrownSound-absorbing ± 2.5 mm
Black
* Materials
NTK: Novoferm Thermo Rubber / APTK: Aethylene propylene terpolymer rubber (synthetic rubber) EPDM: International designation for APTK
NameMaterial*ColourCharacteristics
C 260NTKGrey2 mm higher thanC190
* Materials
NTK: Novoferm Thermo Rubber / APTK: Aethylene propylene terpolymer rubber (synthetic rubber) EPDM: International designation for APTK
NameMaterial*ColourCharacteristics
C 197NTKGrey4 mm higher than C 190
* Materials
NTK: Novoferm Thermo Rubber / APTK: Aethylene propylene terpolymer rubber (synthetic rubber) EPDM: International designation for APTK
NameMaterial*ColourCharacteristics
C 205NTKGrey2 mm lower than C 190
* Materials
NTK: Novoferm Thermo Rubber / APTK: Aethylene propylene terpolymer rubber (synthetic rubber) EPDM: International designation for APTK
NameMaterial*ColourCharacteristics
C 210NTKGrey4 mm lower than C 190
* Materials
NTK: Novoferm Thermo Rubber / APTK: Aethylene propylene terpolymer rubber (synthetic rubber) EPDM: International designation for APTK
NameMaterial*ColourCharacteristics
11089APTK (EPDM)greyStandard profile
Tolerance compensation ± 2.5 mm
Sound-absorbing active ± 2.5 mm
* Materials
NTK: Novoferm Thermo Rubber / APTK: Aethylene propylene terpolymer rubber (synthetic rubber) EPDM: International designation for APTK

Montage

using the example of dismantled frames for stud frame walls

Novoferm frames can be installed particularly quickly. Below you will find step-by-step preparation and installation of disassembled frames for stud frame walls. All details can be found in the detailed installation instructions.

Preparation for assembly

Preparation for assembly

Frame disassembled into three handy frame parts

Screw the frame head piece to the left and right frame handle

Align frame parts

Remove the screws in the frame groove and store for later installation

Assemble frame parts

Then separate the two half shells

Montage

Montage

View of the front and back shells

In the standard version front shell with three stable trapezoidal anchors on each side

Slide the front shell into the opening and align it

Fasten all trapezoidal anchors to the UA profile with screws. Shim as required.

View of the front and back shells

In the standard version front shell with three stable trapezoidal anchors on each side

Slide the front shell into the opening and align it

Fasten all trapezoidal anchors to the UA profile with screws. Shim as required.

Insert the supplied sealing profile into the frame groove

Fully assembled frame